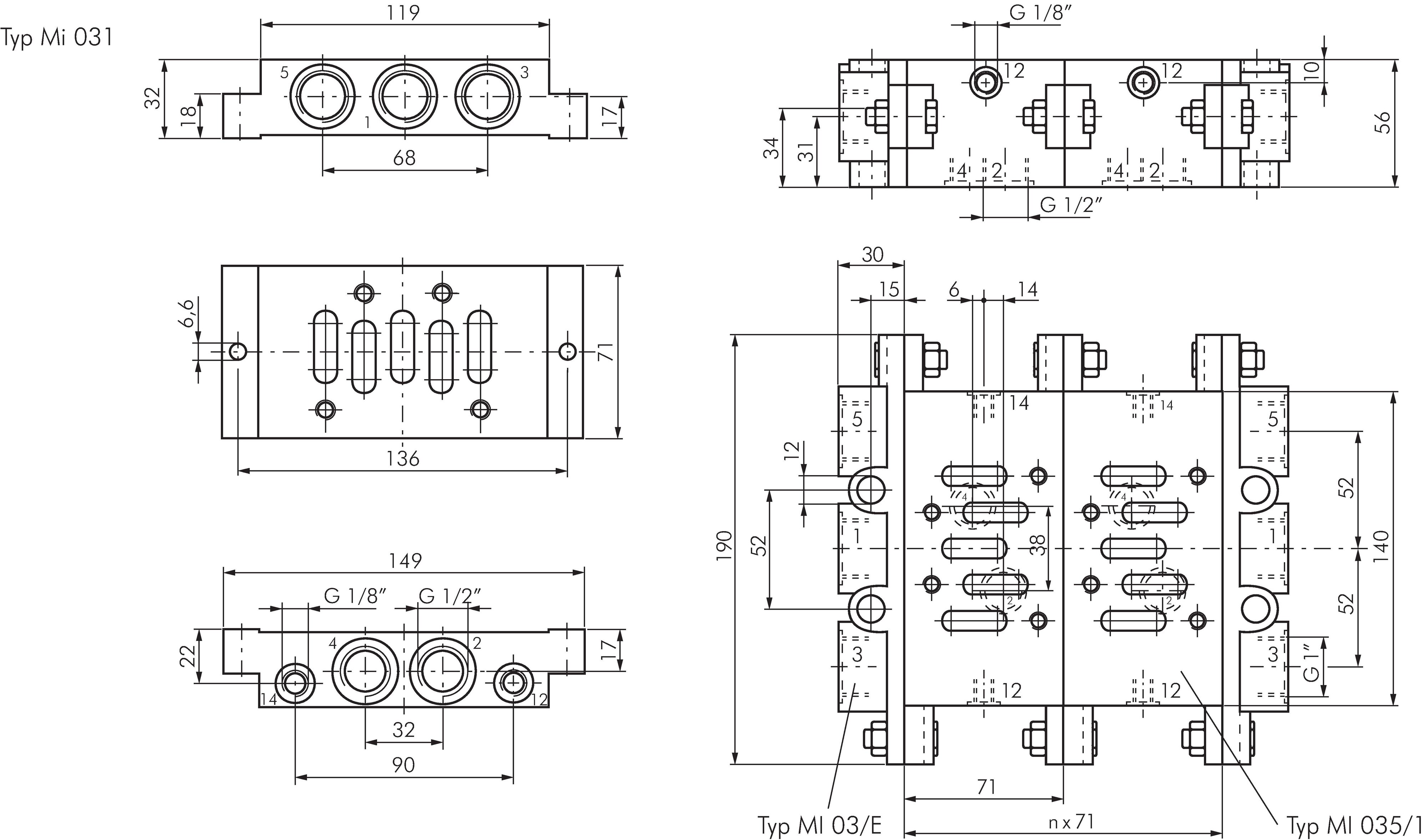
Varegruppe

Tilslutningsplader (ISO 5599-1), ISO-str. 3

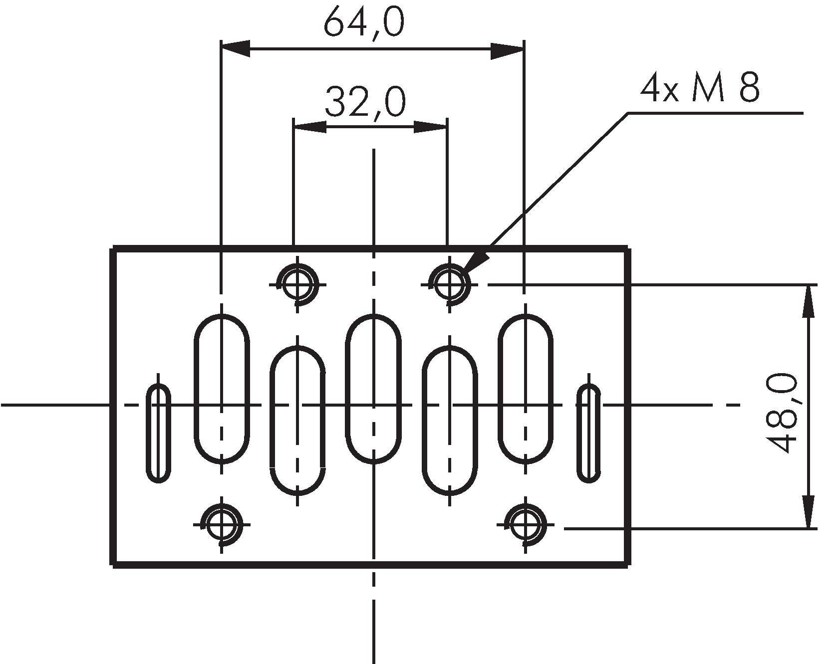
Principskitse: Tilslutningsplade (ISO 5599-1)
Betalingsmuligheder:

Efterkrav

Faktura