Artikelgruppe

5/2-Wege Oszillierventile G 1/4", hubgesteuert

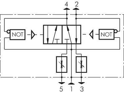
Exemplarische Darstellung: 5/2-Wege Oszillierventil Schaltsymbol: 5/2-Wege Oszillierventil
Zahlungsmöglichkeiten:

Nachnahme

Rechnung