Artikelgruppe

Luftvorhänge

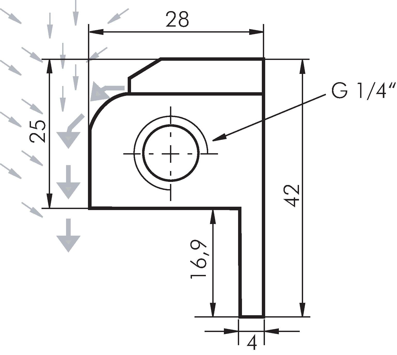
Exemplarische Darstellung: Luftvorhang Anwendungsbeispiel: Flächiges Abblasen mit Luftvorhang Anwendungsbeispiel: Flächiges Abblasen nach Reinigungsvorgang mit zwei Luftvorhängen
Zahlungsmöglichkeiten:

Nachnahme

Rechnung